Ohessa on dokumentti, jossa lyhyesti kuvataan piirremallinnuksen tärkeimmät periaatteet OnShape-ohjelmaa esimerkkinä käyttäen.

Lataa ilmainen kopio alta.

Piirremallinnuksen Perusteet Pdf
PDF – 624,0 KB 77 latausta

Ohessa on dokumentti, jossa lyhyesti kuvataan piirteiden luonnin periaatteet OnShape-ohjelmaa esimerkkinä käyttäen.

Lataa ilmainen kopio alta.

Piirteiden Luonti Pdf
PDF – 928,0 KB 79 latausta

Mallinnusharjoituksia

 

 

 

 

 

Mallinna oheinen kappale ja aseta materiaaliksi alumiini 1060. Tarkista massa, jonka pitäisi olla 815,4 g.


 

 

 

 

Mallinna oheinen kappale ja aseta materiaaliksi alumiini 1100. Tarkista massa, jonka pitäisi olla 687,1 g.


 

 

 

 

 

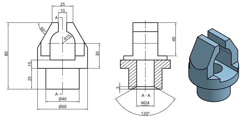
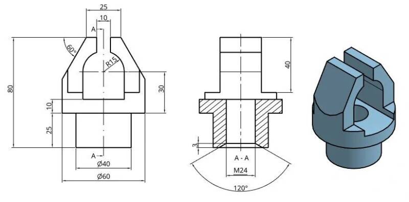
Mallinna oheinen kappale. Aseta materiaaliksi ruostumaton teräs 304. Tarkista massa, jonka pitäisi olla 0,731 kg.

 

 

 


 

 

 

Mallinna oheinen kappale. Aseta materiaaliksi ruostumaton teräs 304. Tarkista massa, jonka pitäisi olla 0,646 kg. 


 

 

 

 

 

Mallinna oheinen putkiosa. Aseta materaaliksi teräs 1020. Massan pitäisi olla 6,99 kg.


 

 

 

 

Mallinna pakosarja siten, että virtaus pääsee tapahtumaan kaikkiin osiin. Aseta materiaaliksi valurauta. Massan pitäisi olla 3,8 kg. 

Mallinna kappaleet.

Jätä kommentti. Onko puutteita tai virheitä tai muuta kerrottavaa.

Lisää kommentti

Kommentit

Ei vielä kommentteja.